
Princípio de funcionamento e características da máquina de secagem à vácuo
A água pura possui maior velocidade de evaporação sob condições de ebulição. Em pressão normal, a água pura começa a evaporar a 100℃. No vácuo, esse ponto de ebulição pode ser reduzido em grande escala, e quanto maior for a pressão à vácuo, menor será o ponto de ebulição. Na máquina de secagem à vácuo, a água evaporada pode ser removida rapidamente pelo sistema à vácuo. Assim, esse secador possui uma maior capacidade de secagem embora ela opere em uma menor temperatura. A matéria-prima se encontra sob condições estáticas durante a operação do equipamento, o que é um benefício para manter o estado inicial do material. Uma operação intermitente é capaz de ajustar condições de processo a qualquer momento.
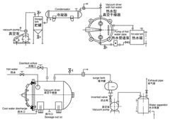
O sistema da máquina de secagem à vácuo FZG é desenvolvido para lidar com problema de retorno de água condensada. Além disso, a sucção de ar é aplicada na lateral, a fim de aumentar a eficiência de secagem. Esse equipamento pode usado em baixas temperaturas de secagem e recuperação de solvente, e a fonte de calor usada pode ser vapor, água quente, ou óleo de condução de calor.
A máquina de secagem à vácuo é especialmente adequada para materiais que são facilmente oxidados durante a secagem.
Aplicação da máquina de secagem à vácuo
A máquina de secagem à vácuo é adequada para secagem de materiais sensíveis à calor para a indústria farmacêutica, indústria química, indústria alimentícia, indústria eletrônica, indústria de medicina chinesa tradicional, e muito mais.
Características da máquina de secagem à vácuo
Pode atingir uma maior velocidade de secagem a uma menor temperatura, tornando-a mais eficiente em energia. Consegue secar em baixas temperaturas, e assim pode ser usada para secar matérias-primas sensíveis à calor.
Consegue secar matérias-primas que contenham solventes que necessitem de reciclagem. Antes da secagem, a máquina de secagem à vácuo consegue efetivar um tratamento desinfetante, e durante a secagem não se pode entrar impurezas.
Parâmetros técnicos da máquina de secagem à vácuo
| Modelo | YZG-600 | YZG-800 | YZG-1000 | YZG-1400 | FZG-10 | FZG-15 | FZG-20 |
| Tamanho interno da câmara (mm) | Φ600×976 | Φ800×1320 | Φ1000×1530 | Φ1400×2080 | 1500x1040x1220 | 1500x1400x1200 | 1500x1800 x1200 |
| Tamanho externo da câmara (mm) | 750×950×1050 | 950×1210×1350 | 1150×1410×1600 | 1550×1900×2150 | 1676×1700×1564 | 1676×2060×1564 | 1676×2500 ×1564 |
| Camadas de suporte | 4 | 8 | 12 | 32 | 20 | 32 | 48 |
| Intervalo de camada (mm) | 85 | 100 | 100 | 100 | 120 | 120 | 120 |
| Tamanho de prateleiras (mm) | 310×600×45 | 640×460×45 | 640×460×45 | 640×460×45 | 640×460×45 | 640×460×45 | 640×460×45 |
| Número de prateleiras | 4 | 12 | 32 | 32 | |||
| Pressão de trabalho dentro de tubulação de suporte (Mpa) | ≤0.784 (8kg/cm2) | ≤0.784 | ≤0.784 | ≤0.784 | ≤0.784 | ≤0.784 | ≤0.784 |
| Temperatura de operação do suporte (℃) | 35~150 | 35~150 | 35~150 | 35~150 | 35~150 | 35~150 | 35~150 |
| Grau de vácuo dentro da câmara quando a operação for neutra (Mpa) | -0.1 | -0.1 | -0.1 | -0.1 | -0.1 | -0.1 | -0.1 |
| Sob condições de -0.1 Mpa e 110℃, taxa de evaporação da água (Kg/m2h) | 7.2 | 7.2 | 7.2 | 7.2 | 7.2 | 7.2 | 7.2 |
| Modelo e energia de bomba em estado ativo de condensador kW | 2X-15 2kW | 2X-30A 3kW | 2X-70A 5.5 kW | 2X-70A 5.5 kW | 2X-70A 5.5 kW | 2X-70A 5.5 kW | 2X-90A 7.5 kW |
| Modelo e energia de bomba em estado inativo de condensador (kW) | SZ-0.5 1.5kW | SZ-1 2.2kW | SZ-1 2.2kW | SZ-2 5.5kW | SZ-2 4.0kW | SZ-2 5.5kW | SZ-2 5.5kW |
| Peso Bruto (kg) | 250 | 600 | 800 | 1400 | 1400 | 2100 | 3200 |
Notas sobre realização de ordem
Ao realizar sua ordem de compra, por gentileza escolha a máquina de secagem à vácuo adequada às matérias-primas a serem secas, como, propriedades físicas, umidade inicial, temperatura, grau à vácuo, valor a ser seco, tempo de secagem, entre outros. A máquina de secagem à vácuo está disponível em modelos para qualquer outra fonte de uso de calor: vapor, água quente e aquecimento por óleo de condução.
Os acessórios usados no sistema de secagem à vácuo mencionados nos Instrumentos de Operação podem ser fornecidos e instalados por nossa fábrica. Por gentileza, mencione-os ao realizar a ordem. Nós também podemos oferecer um design especializado, fabricação e serviços de instalação de máquinas de secagem à vácuo para os requerimentos particulares de cada clientes.
Fluxograma de processos
Nosso equipamento vem com garantia de reparo, substituição ou reembolso para produtos padrões, também fornecemos peças de troca. Assim você pode se sentir seguro ao adquirir nossos produtos e contratar nossos serviços.

